全国统一服务热线:0577 - 6180 6136
首页
关于华昶
关于华昶
公司简介
荣誉证书
企业文化
组织机构
华昶产品
华昶产品
高低压电力设备
工程案例
资料下载
新闻中心
新闻中心
公司新闻
行业新闻
联系华昶
当前位置:
首页
>
产品中心
>
高低压电力设备
>
高压开关柜系列
产品分类
高低压电力设备
高压开关柜系列
低压开关柜系列
电缆分接箱系列
箱式变电站系列
真空断路器系列
冷热缩电缆附件
欧美式插拔头
隔离开关系列
0577 - 6180 6136
产品展示
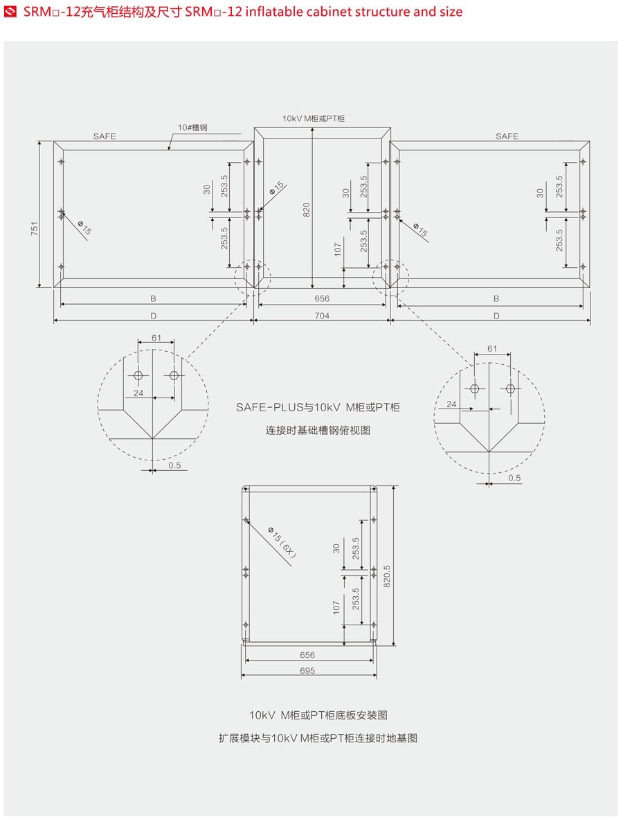
SRM全密封全绝缘充气式环网开关设备
产品参数 Details
上一个:HXGN17-12箱式固定式交流金属封闭开关设备
下一个:GT固体绝缘环网柜
返回列表
友情链接:
百度
|
返回顶部
商务部移动电话:
19906523072
商务部座机:
0577-61806136
在线咨询
微官网二维码